PRODUCTOS
CATEGORÍAS
NUEVOS PRODUCTOS
Marca De Fábrica:
LMSArtículo No.:
Máquina De Compuerta De FuegoPago:
T/TOrigen Del Producto:
Guangdong, ChinaColor:
PersonalizadoPuerto De Embarque:
Huangpu, ChinaPlazo De Ejecución:
90 Dias
La máquina formadora de hojas de compuerta cortafuegos LMS se compone principalmente de un desbobinador manual, máquina formadora, herramientas de corte y perforación, sistema de control eléctrico y sistema de control hidráulico, ampliamente utilizado para la producción en masa de hojas de compuerta cortafuegos. Toda la línea está controlada por el PLC japonés de Panasonic, el operador puede configurar para ejecutar la línea automáticamente y monitorear el proceso de control.

| Artículo | Parámetros |
| Material | Placa Galvanizada |
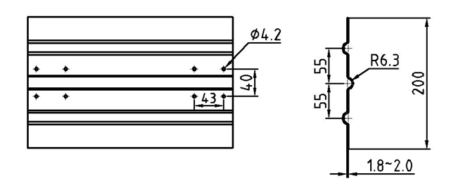
| Espesor Del Material | 1.8 - 2.0 MM (O 1.2 - 1.5 MM) |
| Ancho De La Bobina | Según El Requisito Del Cliente |
| Peso De La Bobina | ≤ 2000 KGS |
| Tamaño De La Hoja | 150 - 205 MM |
| Distancia Central Entre Ranuras Izquierda Y Derecha | 102 MM, Ranura Redonda |
| Ancho De La Hoja Formada | ≤ 205 MM (Si ﹥ 205 MM, No Se Puede Garantizar La Planitud De La Hoja) |
| Perforación O Perforación Del Orificio De La Placa De Cubierta De La Hoja | Según El Requisito Del Cliente |
| Potencia Del Motor | 5.5 KW / 4 KW |
| Velocidad De Formación | 1 - 15 M / Min, Ajustable |
| Error De Longitud De La Hoja | ± 0.5 MM / 1000 MM |
| Planicidad De Vista De La Hoja | ≤ 1 MM / 1000 MM |
| Modo De Control | Control PLC |
| Fuente De Alimentación Principal | 380 V, 50 HZ, Trifásico |
| Presión Del Sistema Hidráulico | 25 MPa, Presión De Trabajo: 8 - 12 MPa |
| Dimensiones Externas De La Línea | Aprox. 6000 MM × 700 MM × 1200 MM (L * W * H) |
Desenrollado - Formación De Rollos - Enderezamiento, Remodelación - Corte A Medida (Punzonado) - Descarga Manual.
| Artículo | Cantidad |
| Desbobinador Manual | 1 Unidad |
| Máquina Formadora | 1 Unidad |
| Herramientas De Corte, Punzonado | 1 Juego |
| Sistema De Control Eléctrico | 1 Juego |
| Sistema De Control Hidráulico | 1 Juego |



PRODUCTOS PERTINENTES:
Línea De Producción Completamente Automática Del Marco Exterior De La Compuerta Contra Incendios LMS
Línea De Producción Automática Del Amortiguador De Fuego Del Humo Del Acero De HVAC
Máquina Dobladora Del Freno De La Prensa Ascendente Con Control Nc
Máquina Plegadora De Freno De Prensa Descendente Con Control Nc
Tubo Espiral Que Forma La Máquina
Conducto De Fabricación De Automóviles Línea I
Conducto De Fabricación De Línea Automática VI
Conducto De Fabricación De Automóviles Línea II
Conducto De Fabricación De Automóviles Línea III
Línea De Fabricación De Conductos IV
Conducto De Fabricación De Automóviles Línea V
Conducto De Fabricación De Automóviles Línea Vii
Máquina de enmarcado de acero de calibre ligero
Para obtener más productos, póngase en contacto con el equipo de LMS!
Envíenos un perfil de perfilado con especificaciones, grosor y otros requisitos de procesamiento para nuestra máquina personalizada. Si necesita una máquina estándar, envíenos el modelo que desee.
Derechos de autor © 2010-2018 LMS International Limited Todos los derechos reservados 蜀ICP备17022790号
El Equipo Profesional Al Servicio !

86-20-87319591

0086 208731 9225
sales@lmsmachinery.com
allyrafter
0086 13822 280343